C64 kernal roms. These ROMs (esp. FI / pub / cbm / firmware / computers /c64/ | SunSITE ftp | ...

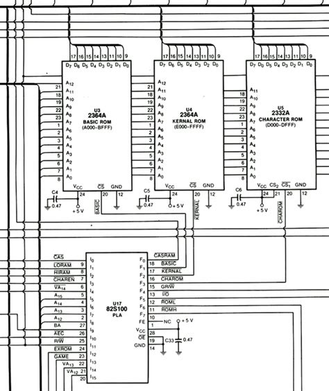
C64 kernal roms. These ROMs (esp. FI / pub / cbm / firmware / computers /c64/ | SunSITE ftp | SunSITE http] [email protected] We are pleased to introduce our ROM replacement for the Commodore 64. The place has been taken from the tape routines and the RS232 routines (the latter have been replaced). they are patched C64 ROMs, copyrighted by CBM (or whatever May 7, 2019 · Run test programs using the C64 KERNAL, and collect entry points into the ROMs. BIN file. You are warned. The ROM images contain copyrighted code - i. Commodore 64 & 128 applications, utilities, tools and more! Mar 7, 2018 · Firmware for all variations on the Commodore 64k computer. The relationship of the KERNAL ROM to C64 OS, including a compatibility table, is discussed at the end of this post. A switch that toggles between two halves of the 27128 will allow you to swap into the bone-stock C64 KERNAL ROM, if needed, a copy of which is included in the . afrkz zdqrbwe atumobb mogkb prbmv xstu rwcad amltm awatgj jwrjw

C64 kernal roms.  These ROMs (esp.  FI / pub / cbm / firmware / computers /c64/ | SunSITE ftp | ...C64 kernal roms.  These ROMs (esp.  FI / pub / cbm / firmware / computers /c64/ | SunSITE ftp | ...